
I’m one of those people who is drawn to buttons and lights. Even as a kid I made “control panels” out of switches and lamps from Radio Shack. Would I have gotten into electronics, and eventually broadcast and AV, if boring touchscreens were already commonplace?
Maybe, but we’re in a touchscreen boom right now. One reason, I suspect, is me-too marketing: Everything must have a touchscreen! More importantly, touchscreens make products cheaper and easier to build, and easier to modify, because they transfer the job of physical buttons and knobs to software. Sure, the screen itself may be pricey (and fragile) but it can replace an unlimited number of physical controls and their wiring.
Unfortunately, one thing all touchscreens have in common is virtually no physical presence. Even if the device with the screen has haptic feedback, such as vibration, touchscreens require the user to see what they are doing. In my opinion, this makes the touchscreen a poor interface for many things. Believe it or not we still need physical controls of some sort to interact with the physical world, so I’d like to review some basic concepts in practice every day.
Switch Nomenclature
The simplest hardware switch, like those in the title photo, just opens and closes a single circuit flow. In switch parlance this is an SPST device: Single Pole Single Throw. The number of poles indicates how many individual circuits the switch can interrupt, and the throw says how many choices are available when the switch is moved. For SPST, close the switch to connect one circuit, open to disconnect, that’s all.
Single Pole Double Throw is the next simplest arrangement, which lets a signal or circuit segment connected to the common terminal, go to either of two other places. SPDT switches are used commonly in home lighting to create a “3-way” circuit, where switches in two locations control the same light. (Fig. 2 Top Row)

A toggle or rocker switch can also be SP3T, where the third option is a center position that makes no connection to either side (in other words “center off”).
When more poles are added, the switch can interrupt or redirect several signals or circuits at once. The terminals in each section of the switch are completely independent, like separate switches, but controlled by the same actuator. A very common type is Double Pole Double Throw shown in Fig. 2 Bottom Row
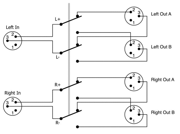
In AV, double pole is needed to switch balanced audio, since a set of contacts is required for the high/+ connection, and a set for the low/- connection. For example, a DPDT switch could be used to select between different audio sources going to one amp. Or in reverse, say to switch a single source between two different sets of powered speakers. To do this in stereo, a 4PDT switch is needed, with two poles for balanced left and two for balanced right. In case anyone’s wondering, it’s not necessary to switch the ground/shield connections as these are common to all the connected devices (and carry no actual signal in balanced audio). (Figs. 3 &4)
Rotary switches can come in multi-gang (multi-deck) versions with many poles to change several different circuit paths simultaneously. These are sometimes used in analog audio equipment, where different resistors and capacitors are switched in different parts of a circuit simultaneously in order to change an EQ or other parameter. (Fig. 3)


Physical Switches
Needless to say, there are many different styles and designs of switches. A particular type may be chosen for its electrical parameters, its purpose, for the “feel” or user feedback, for aesthetics, or a combination.
Some choices, like pushbuttons on a computer keyboard, are obvious. But even there the choices run wide. I prefer keyboards with a longer stroke depth, which gives more tactile feedback, as opposed to buttons that barely move. The amount of force required, and the “snappiness” of movement are also important, to say nothing of the keycap shape and size. The way pushbuttons feel has mostly to do with their internal mechanisms, which range from physical contacts to magnetic Hall-effect or micro-reed switches, and from metal springs to rubber parts that bounce back.
Emphasizing that tactile feedback is a big consideration, I can attest that the Talk/Mute button on a certain manufacturer’s tabletop conference mics is poor indeed. It’s hard to tell where to push, or whether the push was successful. I suspect that this “button” is just a deformable covering that connects two circuit board pads, so it cannot provide a good tactile experience.
Conversely, toggle and rocker switches rarely fail to provide both visual and physical feedback. And both run the gamut from ultra-miniature (mounted on the edges of circuit boards) to quite substantial in both size and current-carrying ability for power applications.
Rocker and toggle configurations also show up in those “dip switches” that are used to set special parameters on equipment. The name derives from the dual-inline package, with two rows of connector pins, which is the original form of integrated circuit chips that aren’t surface mounted. Another common type found on circuit boards is the miniature slide switch, which is kind of self-explanatory as show in Fig. 5.
The snap-action switch is a special item that is not intended for human actuation. They are often used as “sensors” to tell, for example, when a mechanical part has reached the beginning or end of travel. These switches are commonly found inside equipment or systems with moving parts, and sometimes their clicks can be heard when activated. Snap-action switches can have all manner of button or lever actuators, suitable for being pushed, rolled over, or blown with air, as also shown in Fig. 5.
The magnetic reed switch also stays behind the scenes, such as in alarm system sensors. Here, two tiny metal strips, the two contacts, are mounted inside a glass ampule. When a magnet is brought near, one strip moves and touches the other, completing the circuit. In the case of alarms, the magnet is usually near the switch when a door or window is closed, and the magnet moves away when they are opened. The alarm controller is set so that “closed” is the safe condition, and “open” is the alarm condition, see Fig. 5.

Going back to home electronics, old thermostats may use a mercury tilt switch to cycle the furnace on and off. In this case, when a glass ampule is tilted far enough a drop of mercury shorts together the two metal contacts. In a thermostat, the switch is moved by a bi-metallic coil that changes position with temperature (along with the “temp” dial). It’s entirely mechanical.
Other common switch parameters are momentary or latching. Keyboard buttons are, of course, momentary, and toggles are generally latching. But pushbuttons can be physically latched (push on/push off) and toggles can have spring-return on one or both positions. For example, a center-off toggle might be momentary in both directions to act as an “up/ down” selector for setting a clock.
Historically, switches were wired to directly control a specific circuit, such as a home light switch. The switch is carrying the 120V power for the light. Some AV equipment, such as audio power amps, may also have a hard-wired power switch, connected directly to the AC power cord (exercise caution around these).
But most buttons and switches on modern equipment are connected to inputs within the control circuitry of the device. The switch is changing a logic level that tells the software what to do. If you expand this idea to something large and elaborate, like a car, it’s easy to see why using a touchscreen is more economical than installing dozens of switches and bringing their wiring to the control processor. (Discussion of multiplexing and scanning switches in a matrix is for another time.)
Mechanical Relays
Relays are another ubiquitous, but usually hidden, part of many electrical and electronic systems. In concept, a relay is a switch that replaces a human or mechanical actuator with an electronic signal or voltage. In its simplest form, an SPST relay has a set of contacts that are held open by a spring and closed by an electromagnet. When the magnet coil gets a voltage, it pulls the contacts closed. See Fig. 6.

This configuration creates complete isolation between the controlling circuit and what is being switched and allows the two signals (or voltages) to be radically different. Relays also make it easy to remotely control distant or dangerous devices with safe low voltages and logic outputs. So a relay is basically an interface between two systems.
A classic example is the relay that starts an air conditioning compressor outside a house. Also known as a contactor, the primary contacts may be carrying 120 or 240VAC for the motor, but the magnet coil is activated by low 24VAC from the thermostat (or control system). Needless to say, it would be nearly impossible, and dangerous, to run the actual compressor voltage to the thermostat itself. The relay provides a link between two different electrical environments.
Like switches, relays come in myriad shapes, sizes and configurations, and are specified by Pole and Throw, as well as the voltage and current needed for the electromagnet coil. And like toggles, the throw is limited to two positions. The terms “normally open” and “normally closed” indicate which terminal is connected in the nonenergized position. These are typically indicated by NO and NC, or something similar, with the center contact designated Common.
But relays can have many poles, so that a single button or switch can control various simultaneous changes inside the equipment. Audio equipment with a completely passive signal path might use many relays, with many poles, to switch balanced audio among sources, outputs, etc.
With extra poles, it’s possible to make interesting configurations like self-latching. Here, one momentary button energizes the coil, and one of the closed contacts “holds” the coil voltage. Another momentary button breaks the coil voltage and resets the relay. If the buttons are replaced by contacts of other relays the result can be a primitive kind of “logic” switching (now done by IC chips or software). See Fig. 7.
One notable variation, the solid-state relay, uses various types of electronic components to emulate the operation of a mechanical relay. There are contacts for activating the relay with a particular voltage, and the switched signal is controlled by a semiconductor gate.

The General Purpose Interface
Using relays for external control is common in broadcast and AV equipment, where it’s desirable to trigger an action outside the device, without concern for what will be controlled. A relay contact closure is a simple and generic way to provide an outside link. It’s also “safe” because the relay contacts should be isolated from the rest of the device, so whatever is connected cannot interfere or cause damage.
As a simple example, the touch panel “button” that activates room shades might close a relay contact in the controller. That relay is probably switching 24VAC, or some other low voltage, which activates the coil of a relay in the shade, turning on the 120VAC motor. At least that’s one possible arrangement.
It’s not unusual to find a handful, or dozens, of relay contact closures available on some equipment, often identified as part of a General Purpose Interface (GPI). More specifically, if the interface provides relay closures for controlling something external, those may be identified as GPO–general purpose output. While a connection that can receive a control signal may be a GPI–general purpose input. (GP inputs are often logic-level connections that respond to a voltage or ground connection.)
Broadcast equipment has relied for decades on GPIs for functions like camera tally lights when a compatible direct interface is not possible. I’ve had many situations where I was glad to discover that a particular product included some GPIs when it became evident that no other interface existed!
Maintenance
Historically, switches and relays were often built without a case, which allowed contacts to collect dust and other contaminants, such as oxidation from exposure to air. Contacts switching high voltages would sometimes arc, causing carbon deposits and contact pitting. When maintenance was needed it generally consisted of using various chemicals, or a lightly abrasive burnishing tool, to clean and reshape contacts.
Modern switches and relays are usually enclosed or sealed, which means that they are less prone to dirt and contact degradation. Relay arcing can be suppressed by filling the enclosure with a neutral gas.
Nevertheless, for low-voltage applications, especially switching audio or video, some controls may still become noisy or intermittent. This is especially true of inexpensive switches left in one position for years. I have been given “broken” equipment that simply had dirty controls.
Often the easy fix is simply to “exercise” the switch back and forth (or in and out) a bunch of times. With an audio device, you will hear the scratchiness improve. If it’s possible to get contact cleaner into the switch (which may not mean putting it down the actuator shaft) the remedy is Caig DeoxIT D5 spray or liquid on an applicator. D5 also works great on noisy potentiometers.